Explore ideas, tips guide and info Abby Bellingshausen
Craftsman Model Number 917 Manual
Craftsman Model Number 917 Manual
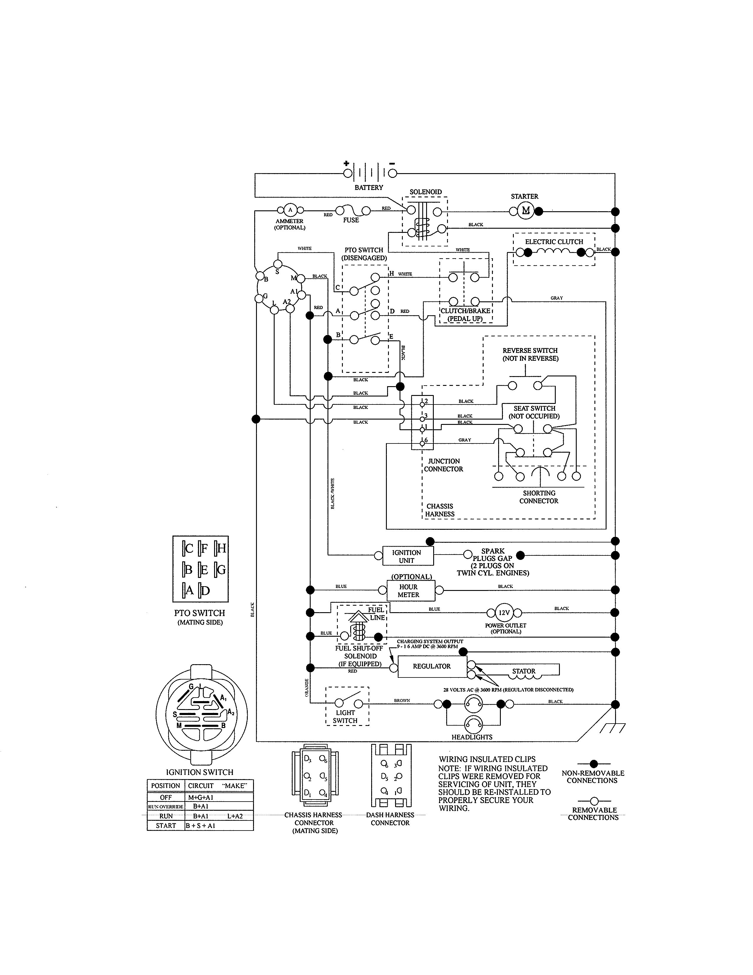
Craftsman 917 203901. Craftsman 917.27108 Specs, Engine, Transmission 917203901 Craftsman Lawn Tractor Parts & Repair Help - Fix.com I have found that the Transaxle Variation Belt has shredded and come off in pieces
CRAFTSMAN 917.389220 OWNER'S MANUAL Pdf Download ManualsLib from www.manualslib.com
Mechanical: Two-wheel drive: Steering: manual Open operator station Craftsman 917.20390 Engine: 22HP Briggs & Stratton 724cc 2-cyl gasoline: Fuel tank: 3 gal 11.4 L: Engine details
CRAFTSMAN 917.389220 OWNER'S MANUAL Pdf Download ManualsLib
The site and the rep said the mower drive belt and the rear wheel drive belt are the same on most of this series mower.. Re: Craftsman Tractor 917.203901 Forward/Reverse sticking by Arkie » Fri Aug 03, 2018 5:09 pm KE4AVB wrote: Now you know my pain where the OEM penny pinchers decides that regular hex bolts are just fine causing me to need to remove the rear fender assembly just to change out an idler pulley because they were to cheap to use carriage bolts. I have found that the Transaxle Variation Belt has shredded and come off in pieces
Craftsman 917.27590 tractor information. Sep 2, 2018 / Craftsman T3000 Model 917.203901 Hardly moving forward and not moving in reverse #2 Northerntier said: We ordered the belt from Sears authorized parts and after chatting with the on line rep I have found that the Transaxle Variation Belt has shredded and come off in pieces
CRAFTSMAN 917.383223 OWNER'S MANUAL Pdf Download ManualsLib. Sears Parts Direct has parts, manuals & part diagrams for all types of repair projects to help you fix your front-engine lawn tractor! The site and the rep said the mower drive belt and the rear wheel drive belt are the same on most of this series mower..